отчет по практике на подстанции
Отчет по практике на электрооборудование на подстанции
Автор работы: Пользователь скрыл имя, 21 Января 2014 в 12:31, курсовая работа
Краткое описание
На сегодняшний день самым распространённым видом энергии является электрическая энергия. Это объясняется универсальностью применения электрической энергии, простотой передачи её на большие расстояния и множеством способов её получения. Потребителями электроэнергии являются крупные промышленные объекты, население и муниципальные учреждения. Поэтому основной задачей электрических сетей является бесперебойное обеспечение потребителя электроэнергией. В России, как и в других западных странах, для производства и распределения электрической энергии используют трехфазный переменный ток частотой 50 Гц. Применение трехфазного тока частотой 50 Гц обусловлено большей экономичностью сетей и установок трехфазного тока по сравнению с сетями однофазного переменного тока, а также возможностью применения в качестве электропривода наиболее надежных, простых и дешевых асинхронных электродвигателей.
Прикрепленные файлы: 1 файл
Отчёт по практике 2013г. Юго-западная.doc
На сегодняшний день самым распространённым видом энергии является электрическая энергия. Это объясняется универсальностью применения электрической энергии, простотой передачи её на большие расстояния и множеством способов её получения. Потребителями электроэнергии являются крупные промышленные объекты, население и муниципальные учреждения. Поэтому основной задачей электрических сетей является бесперебойное обеспечение потребителя электроэнергией. В России, как и в других западных странах, для производства и распределения электрической энергии используют трехфазный переменный ток частотой 50 Гц. Применение трехфазного тока частотой 50 Гц обусловлено большей экономичностью сетей и установок трехфазного тока по сравнению с сетями однофазного переменного тока, а также возможностью применения в качестве электропривода наиболее надежных, простых и дешевых асинхронных электродвигателей.
1 Особенности объекта электроснабжения
Подстанция «Юго-западная» расположена в черте города. Объект расположен между юго-западной котельной, гормолзаводом и другими потребителями, это очень выгодно с экономической точки зрения.
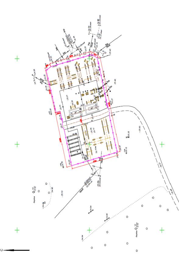
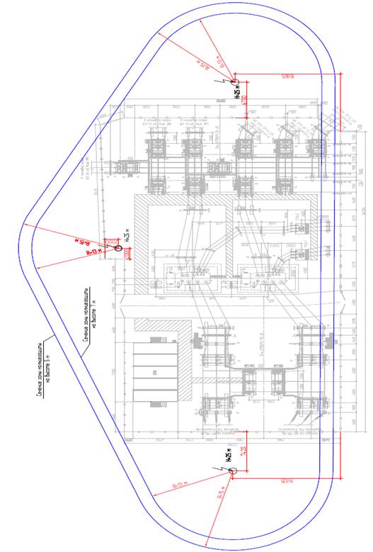
Рисунок 1. План расположения наружных и внутренних частей ПС «Юго-западная»
2 Тип и категория исполнения электрооборудования
2.1 Силовые трансформаторы
Трансформаторами называют электроустановки, предназначенные для изменения величины напряжения переменного тока. Силовые трансформаторы являются основным электротехническим оборудованием электроэнергетических систем, обеспечивающим передачу и распределение электроэнергии. С их помощью осуществляется понижение напряжения до значений, применяемых непосредственно в приемниках электроэнергии. На подстанции установлены 2 силовых трансформатора типа ТДТН – 40000/110 (трансформатор трёхфазный, с дутьевым охлаждением, трёхобмоточный, с регулировкой напряжения под нагрузкой, номинальной мощностью 40000 кВ*А, напряжением 110 кВ).
Допускается одновременная работа всех трех обмоток, однако суммарная мощность обмоток среднего и низкого напряжения не должна превышать номинальной мощности обмотки ВН.
2.2 Трансформаторы собственных нужд
На ПС применяются 2 трансформатора собственных нужд типа ТМ – 400/10/0,4. Они предназначены для освещения подстанции и нужд людей, обслуживающих её.
Разъединитель – электрический аппарат с видимым местом разъединения электрической цепи. Предназначен: для отключения и включения под напряжением участков электрической цепи высокого напряжения при отсутствии нагрузочного тока; для изменения схемы соединения; для безопасного производства работ (создание видимого разрыва) на отключенном участке; для включения и отключения зарядных токов воздушных и кабельных линий; тока холостого хода трансформаторов и токов небольших нагрузок.
Помещение, в котором устанавливаются разъединители, должно быть закрытым, взрыво- и пожаробезопасным, не содержащим агрессивных газов и паров в концентрациях, разрушающих изоляцию и защитные покрытия.
На подстанции используются разъединители типа РДЗ-110/1000, РНДЗ-110-У1/1000 предназначены для включения и отключения обесточенных участков цепи, находящихся под напряжением (либо со снятым напряжением).
Таблица 1. Технические данные разъединителя
Номинальное напряжение, кВ
Наибольшее рабочее напряжение, кВ
Амплитуда предельного сквозного тока КЗ, кА
Предельный ток термической устойчивости, кА
Время протекания тока термической устойчивости, для главных ножей,
для ножей заземления
2.5 Вентильные разрядники
Разрядники предназначены для защиты от атмосферных перенапряжений изоляции электрооборудования переменного тока. На рассматриваемой ПС имеются вентильные разрядники РВС–110 (разрядник вентильный стационарный, номинальное напряжение – 110 кВ) и РВО – 6/10. Разрядник устанавливается на изолированном от земли основании для удобства присоединения регистратора срабатывания и для измерения токов проводимости. Разрядники вентильные типа РВО предназначены для защиты изоляции электрооборудования переменного тока на класс напряжения 6, 10 кВ от атмосферных перенапряжений.
Разрядники вентильные серии РВС предназначены для защиты изоляции электрооборудования переменного тока на класс напряжения от 35 до 110 кВ от атмосферных перенапряжений.
Выключатель предназначен для выполнения оперативной и аварийной коммутации в системах электроснабжения и для включения и выключения отдельных электрических цепей и нагрузок. При разрыве цепи между разомкнувшимися контактами выключателя возникает электрическая дуга, которая гасится в специальном устройстве. Контакты выключателя находятся внутри камеры в разомкнутом состоянии. На подстанции установлены выключатели следующих типов: ВМПЭ – 10 (относится к жидкостным высоковольтным выключателям, предназначен для коммутации высоковольтных цепей трехфазного переменного тока в номинальном режиме установки, а также для автоматического отключения этих цепей при коротких замыканиях и перегрузках, возникающих при аварийных режимах. Принцип работы выключателя основан на гашении электрической дуги, возникающей при размыкании контактов, потоком газомасляной смеси, образующейся в результате интенсивного разложения трансформаторного масла под действием высокой температуры горения дуги. Этот поток получает определенное направление в специальном устройстве, размещенном в зоне горения дуги); ВВ/TEL – 10; ВБЭ-10-31.5.; элегазовый выключатель 110 кВ типа 3AP1FG (предназначен для коммутации оперативных токов и токов короткого замыкания в электрических сетях).
Отделитель представляет собой разъединитель с автоматическим отключающим приводом, включается вручную. На ПС установлены 2 отделителя на 2-ух секциях шин типа ОД – 110/1000У1. Эти отделители наружной установки предназначены для автоматического отключения повреждённого участка линии.
2.8 Маслонаполненные вводы
2.9 Аккумуляторные батареи
На ПС установлены аккумуляторные батареи типа СК – 8, состоящие из 120 банок.
3 Компенсация реактивной мощности и средства ее компенсации
Компенсация реактивной мощности на ПС «Юго-западная» отсутствует. Однако скажем несколько слов о ней.
Передача значительной реактивной мощности по линиям и через трансформаторы невыгодна по следующим причинам: возникают дополнительные потери активной мощности и энергии во всех элементах системы электроснабжения, обусловленные загрузкой их реактивной мощностью; возникают дополнительные потери напряжения, которые особенно существенны в сетях районного значения; загрузка реактивной мощностью линий электропередачи трансформаторов уменьшает их пропускную способность и требует увеличения сечений проводов воздушных и кабельных линий, увеличения номинальной мощности или числа трансформаторов подстанции.
Следовательно, необходимо, насколько это технически и экономически целесообразно, предусматривать дополнительные мероприятия по уменьшению потребляемой реактивной мощности. Для компенсации реактивной мощности используются синхронные компенсаторы, синхронные двигатели, конденсаторные установки. Синхронные компенсаторы являются синхронными двигателями без нагрузки на валу. Изменение генерируемой или потребляемой реактивной мощности компенсатора осуществляется регулированием его возбуждения.
К недостаткам синхронных компенсаторов относят удорожание и усложнение эксплуатации и значительный шум во время работы. Положительными свойствами синхронных компенсаторов как источников реактивной мощности являются возможность плавного и автоматического регулирования, независимость генерации реактивной мощности от напряжения на их шинах, достаточная термическая и динамическая стойкость обмоток компенсаторов во время к.з. Синхронный двигатель при определенных условиях может генерировать реактивную мощность. Её величина зависит от загрузки двигателя активной мощностью, подводимого напряжения и технических данных двигателя. Конденсаторы по сравнению с другими источниками реактивной мощности обладают такими преимуществами, как малые потери активной мощности (0,0025-0,005 кВт/квар), простота эксплуатации (ввиду отсутствия вращающихся и трущихся частей), простота производства монтажных работ(малая масса, отсутствие фундаментов), для установки конденсаторов может быть использовано любое сухое помещение.
К недостаткам конденсаторов следует отнести зависимость генерируемой реактивной мощности от напряжения, чувствительность к повышениям питающего напряжения и недостаточную прочность, особенно при к.з. и перенапряжениях.
Отчет по практике на подстанции «Северная»
Автор работы: Пользователь скрыл имя, 05 Августа 2014 в 13:04, отчет по практике
Краткое описание
Многообразие условий работы различных объектов обуславливает многообразие схем их электроснабжения. Схемы питания потребителей зависят от удаленности источника энергии, общей схемы электроснабжения данного района, территориального размещения потребителей и мощности, требований, предъявляемых к надежности и т.п.
В приложении приведена упрощенная схема электроснабжения западного района Якутии. Источником электроэнергии является каскад гидроэлектростанций на реке Вилюй, где установлено восемь гидрогенераторов типа СВ 1160/180-72. Энергия, трансформируясь на напряжение 220 кВ, передается по линиям к потребителям.
Вложенные файлы: 1 файл
отчет по практике Электроснабжение электроустановок.doc
Производственную практику прошел в Мирнинской группе подстанций (МГПС и РС), подразделение Западных электрических сетей (ЗЭС) ОАО АК «Якутскэнерго» в качестве электромонтера по ремонту оборудования распределительных устройств. Как только пришел на мастерскую МГПС и РС, ознакомили с обязательными инструкциями техники безопасности и охраны труда. После, дали удостоверение и работал в составе бригады. Наша бригада обслуживала подстанции г.Мирного и всего района. В первые дни занимались вырубкой порослей, чистили и красили шкафы МВ с целью их предотвращения от коррозии, закладывали на кабельные линии мешки с песком на ОРУ 220/110/10 кВ п/с «Мирный», на ОРУ 110/6 кВ п/с «Интер», на ОРУ 110/6-10кВ п/с «Заря»(поселок находиться на 60 км от Мирного) для противопожарной безопасности. На второй неделе производили текущий ремонт на ОРУ 110/6,6/6,3 кВ на п/с «Мир», чистка фарфоровых изоляций на отделителе, разъединителе и трансформатора 1Т ТДШН-40000/110 У1, трансформатора тока и напряжения. Чистка проводится для того чтобы предотвратить появления электрических разрядов между «юбок» изоляции. Налет образуется из-за частичек пыли содержащихся в воздухе. На руднике «Мир», где особенно образуется налет соли, которые зимой, достигая определенной температуры, начинают шипеть и гореть, тем самым создают аварию на подстанции. На Верхнем поселке произвели текущий ремонт трансформатора ТМ-400/10-У1: чистка изоляторов, шин, контактов ввода, заливка масла и замена силикогеля в расширителе. Ездили в поселок Светлый на временную насосную водозаборную станцию, где заменили трансформатор 2Т ТМ 350/10 на трансформатор ТМ-400/10. Произвели текущий ремонт: очистка изоляторов, контактов ввода, ошиновка, заливка масла и замена силикогеля в расширителе.
Производили текущий и капитальный ремонт п/с «Северная» ОРУ 110/10 кВ с заменой изоляции на разъединителе РЛНД-1Б-110/600 изоляторов.
1. Западные электрические сети
Многообразие условий работы различных объектов обуславливает многообразие схем их электроснабжения. Схемы питания потребителей зависят от удаленности источника энергии, общей схемы электроснабжения данного района, территориального размещения потребителей и мощности, требований, предъявляемых к надежности и т.п.
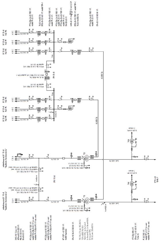
В приложении приведена упрощенная схема электроснабжения западного района Якутии. Источником электроэнергии является каскад гидроэлектростанций на реке Вилюй, где установлено восемь гидрогенераторов типа СВ 1160/180-72. Энергия, трансформируясь на напряжение 220 кВ, передается по линиям к потребителям. Воздушная линия Л1 ВЛ-220-358 км предназначена для энергоснабжения предприятий алмазодобывающей промышленности АК «Алроса», самого энергоемкого узла в Западной Якутии. Одна из цепей выполнена проводом АС-400 на металлических опорах, введена в эксплуатацию в 1985 году. От ВГЭС идет трехцепная линия Л3 соединяет Айхал и Удачный. Питание Мирнинского района от ВГЭС осуществляется по двухцепной линии Л2 ВЛ-220-97,8км. На подстанции «Мирный» двумя автотрансформаторами напряжение 220 кВ понижается до 110 кВ и по одноцепной линии ВЛ-110кВ распределяется Сунтар-Нюрба-Верхневилюйск- Вилюйск.
2. Техническая характеристика подстанции «Северная»
На подстанции «Северная» имеется:
— два трансформатора собственных нужд ТСН-1,2 типа ТМ мощностью 0,16МВА
-двадцать восемь высоковольтных выключателей 6-10кВ на ЗРУ-10-2(22 шт-ВМПЭ-10-600/20; 2шт-ВМПЭ-10-3200/31,5; 1шт-ВМПЭ-10-1500/20); ЗРУ-10-1(3шт-ВМП-10К-1500/20)
— восемь (8) высоковольтных разъединителей по типу 110кВ, из них четыре РЛНД-1Б-110/600, два РНДЗ-2-110/1000 ХЛ1 и два РНДЗ-1б,2б.
— Количество ячеек (шкафов) КРУ (КРУН, КРН): ЗРУ-10-1 3штук и ЗРУ-10-2 29штук.
Ошиновка линии 110 кВ произведена 4-секции шин проводом АС-120 1-я и 2-я СШ подвесные изоляторы ПМ-4,5 по 10 изоляторов в гирлянде. Поддерживающих гирлянд-6, натяжных-24. Всего по 1 и 2 СШ-350 шт. 3-я и 4-я СШ подвесные изоляторы ОНШ-10-2000. Поддерживающих гирлянд-9, натяжных-42.
Ошиновка линии 6-10кВ произведена по 4-секциям проводом АС-120 1-я и 2-я СШ-шины 100х10прямоугольные, алюминивые. 3-я и 4-я СШ-шины 80х8мм прямоугольные, алюминиевые.
Род оперативного тока трансформаторов 1Т,2Т-переменный. 3Т,4Т-постоянный.
Источником оперативного тока являются трансформатор собственных нужд. Род оперативного тока переменный.
Аварийные маслостоки чугунными трубами связаны с маслосборной ямой 12м3 (на западной стороне ОРУ).
Заземление выполнено четырьмя глубинными скважинами заземлителя глубиной по 60 м, соединёнными с п/ст полосой 50х5. Сопротивление контура заземления п/ст по проекту не более 5 Ом.
3. Характеристика электрооборудование
Трансформатор представляет собой статический электромагнитный аппарат с двумя (или больше) обмотками, предназначенный чаще всего для преобразования переменного тока одного напряжения в переменный ток другого напряжения. Преобразование энергии в трансформаторе осуществляется переменным магнитным полем. Трансформаторы широко применяются при передаче электрической энергии на большие расстояния, распределении ее между приемниками, а также в различных выпрямительных, усилительных, сигнализационных и других устройствах.
Электрической энергии вырабатываемой на станциях, при передаче к потребителям претерпевает многократную трансформацию в повышающих и понижающих трансформаторах. Поэтому установленная мощность трансформаторов в энергосистемах превышает установленную мощность генераторов кВА в 4-5 раз. Трансформаторы изготовляют трехфазные и однофазные, двух и трехобмоточными. Преимущественное применение имеют трехфазные трансформаторы, экономические показатели которых выше показателей групп из однофазных трансформаторов при той же надежности. Группы из однофазных трансформаторов применяют только при самых больших мощностях при напряжениях 50кВ и выше в целях уменьшение трансформаторной массы.
Трансформаторные подстанции представляют собой электроустановки для преобразования напряжения сетей в целях экономичного распределения ЭЭ между потребителями (электроприемниками) либо дальнейшей ее передачи. Они состоят из следующих базовых элементов: одного или нескольких трансформаторов, РУ высшего напряжения, РУ пониженных [низшего и (или) среднего] напряжений и вспомогательных устройств. На подстанции могут быть установлены реакторы, компенсирующие (КУ) и фильтрокомпенсирующие (ФКУ) устройства.
Современные трехобмоточные трансформаторы выпускаются в трехфазном исполнении на следующие сочетания номинальных напряжений связываемых ими сетей: 220/35/6(10), 110(150)/35/6(10) и 35/10/6 кВ. В настоящее время все эти трансформаторы имеют одинаковые номинальные мощности обмоток, равные номинальной мощности трансформатора. Трансформаторы используемые на подстанции «Северная» прив. В табл.3-1
Табл.3-1Силовые трансформаторы (главные, собст. нужд, для ДГК) используемые на подстанции «Северная»
Особенности функционирования подстанции электрических цепей
Исследование необходимых данных по проходной подстанции Курганских электрических сетей. Принципиальная схема существующей сети с нанесенными линиями передач и подстанциями. Описание основного электрооборудования и режимов работы систем электроснабжения.
| Рубрика | Физика и энергетика |
| Вид | отчет по практике |
| Язык | русский |
| Дата добавления | 04.09.2010 |
| Размер файла | 1,7 M |
Отправить свою хорошую работу в базу знаний просто. Используйте форму, расположенную ниже
Студенты, аспиранты, молодые ученые, использующие базу знаний в своей учебе и работе, будут вам очень благодарны.
Министерство образования Российской Федерации
фЕДЕРАЛЬНОЕ АГЕНСТВО ПО ОБРАЗОВАНИЮ
Курганский Государственный Университет
Кафедра энергетики и технологии металлов
Специальность 100400 «Электроснабжение»
1.1 Цели и задачи преддипломной практики
1.1 Основные сведения о предприятии
1.2 Краткая характеристика исследуемого района
2 Технологическая часть
2.1 Принципиальная схема существующей сети с нанесенными линиями передач и подстанциями
2.2 Режимы работы систем электроснабжения и компенсация реактивной мощности
2.3 Основное электрооборудование подстанций
2.4 Релейная защита подстанции и электроустановок
2.5 Учёт, системы управления и автоматизации электроснабжения
3 Охрана труда на предприятии
3.1 Организационные мероприятия
3.2 Технические мероприятия
3.3 Безопасность и экологичность
4 Индивидуальное задание по БЖД
4.1 Защитное заземление
5 Индивидуальное задание по Экономике
Список использованной литературы
1.1 Цели и задачи преддипломной практики
В отчёте по преддипломной практике отражено развитие усложнение структуры систем электроснабжения, возрастающие требования к экономичности и надёжности их работы в сочетании с изменяющейся структурой и характером потребителей электроэнергии, широкое внедрение устройств управления распределением и потреблением электроэнергии на базе современной вычислительной техники. А также в ходе работы большое внимание уделялось вопросам повышения экономичности систем электроснабжения путем выбора рациональных режимов работы, снижения потерь электроэнергии, применения современного комплектного электрооборудования, вопросам охраны труда и экологичности.
Основной целью преддипломной практики является сбор всех необходимых данных по проходной подстанции (п/с) «______ская» для написания дипломного проекта на тему «Проект реконструкции п/с 110/10 кВ «______ская» Курганских электрических сетей, а также практическое закрепление приобретённых теоретических знаний в процессе обучения по специальности «Электроснабжение». В ходе преддипломной практики производились производственные экскурсии, теоретические занятия на производстве, проводился сбор необходимых данных, выполнялось индивидуальное задание (расчет защитного заземления оборудования, освещения и молниезащиты, расчет экономической части проекта).
1.2 Основные сведения о предприятии
В своей деятельности предприятие столкнулось с рядом трудностей:
1. Неудовлетворительное техническое состояние электрических сетей.
2. Низкая квалификация персонала.
3. Высокие потери при передачи электрической энергии, связанные с хищениями электроэнергии.
4. Недопустимо длительное время аварийно-восстановительных работ.
— система паспортизации оборудования электросетей;
— система учета вновь присоединяемых потребителей;
Сруктура по участкам СП «Районные электрические сети» входящим в ОАО «Энергокурган» показана на рис. 1
СП «Районные Электрические Сети» ОАО «ЭнергоКурган» в цифрах:
ОСП «Макушинский РЭС» 145 ТП 385 км ВЛ
ОСП «Центральный РЭС» 171 ТП 485 км ВЛ
Всего 316 ТП 880 км ВЛ
Численность персонала 167 человек
Более подробные данные приведены в приложении 1.
______ский участок ОСП «Центральный РЭС» входит в состав СП «Районные электрические сети» и обслуживает линии и подстанции питающиеся от ПС «______ская» 110/10 кВ по ВЛ (3 и 5)
1.3 Краткая характеристика исследуемого района
Сведения о климатических условиях в исследуемом районе
Подстанция «______ская» находится в резко континентальный зоне. Средняя расчётная температура воздуха составляет, согласно таблице 1:[1]
Таблица 1 Температура Курганской области
Среднегодовые скорости ветра по всей территории Курганской области достигают 3-4 м/сек.
Основными потребителями электрической энергии являются: прилегающие села. По надежности электроснабжения проектируемые электроприемники относятся к I, II и III категории.
2 Технологическая часть
2.1 Принципиальная схема существующей сети с нанесенными линиями передач и подстанциями








— вновь устанавливаемые молниеотводы на существующие тросостойки
— вновь устанавливаемый отдельно стоящий молниеотвод